Varistorové
FLP-PV550 V/U S
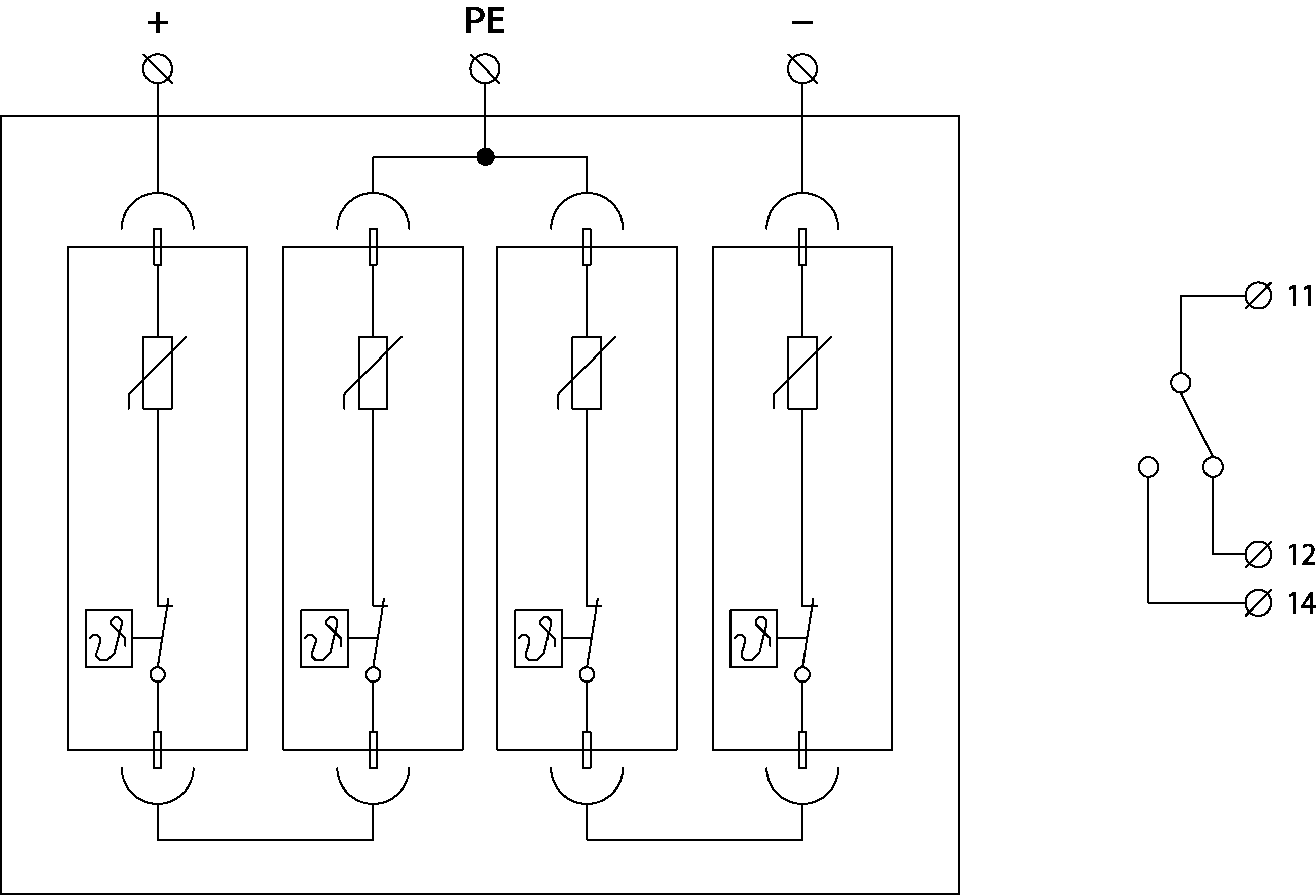
Objednací číslo: A06146vyjímatelný modul, optická signalizace poruchy, možnost blokace modulu, dálková signalizace poruchy
- varistorový svodič bleskových proudů zapojený do 'U'
- k ochraně fotovoltaických instalací především na střeše, tam kde není dodržena dostatečná vzdálenost (připojení k LPS)
- Volba maximálního provozního napětí SPD: UCPV ≥ 1,2 × UOC STC
Technické parametry
| Název parametru | Hodnota parametru | |
|---|---|---|
| Typ SPD | PV T1, PV T2 | |
| Montáž | lišta DIN 35 mm | |
| Nejvyšší trvalé provozní napětí mód +/PE, -/PE | UCPV | 560,00 V DC |
| Jmenovitý zkratový proud | ISCPV | 10 000 A DC |
| Reziduální proud mód +/PE, -/PE | IPE | 0,500 mA AC |
| Reziduální proud mód +/PE, -/PE | IPE | 0,010 mA DC |
| Celkový výbojový proud (10/350 µs) | ITotal(10/350) | 25,00 kA |
| Impulsní výbojový proud (10/350 µs) | Iimp | 12,50 kA |
| Celkový výbojový proud (8/20 µs) | ITotal(8/20) | 120,00 kA |
| Jmenovitý výbojový proud (8/20 µs) | In | 30,00 kA |
| Maximální výbojový proud (8/20 µs) | Imax | 60,00 kA |
| Napěťová ochranná hladina mód +/- | Up | 4,80 kV |
| Napěťová ochranná hladina mód +/PE, -/PE | Up | 2,40 kV |
| Doba odezvy | ta | 25 ns |
| Průřez připojovaných vodičů pevný (min) | 1,00 mm2 | |
| Průřez připojovaných vodičů pevný (max) | 35,00 mm2 | |
| Průřez připojovaných vodičů slaněný (min) | 1,00 mm2 | |
| Průřez připojovaných vodičů slaněný (max) | 25,00 mm2 | |
| Průřez připojovaných vodičů dálkové signalizace pevný (max) | 1,5 mm2 | |
| Průřez připojovaných vodičů dálkové signalizace slaněný (max) | 1,5 mm2 | |
| Signalizace poruchy | červené zbarvení indikačního pole | |
| Dálková signalizace | bezpotenciálový přepínací kontakt | |
| Kontakty dálkové signalizace | 250 V / 0,5 A AC, 250 V / 0,1 A DC | |
| Stupeň krytí | IP 20 | |
| Rozsah provozních teplot (min/max) | -40 / 80 °C | |
| Splňuje požadavky normy | ČSN EN 61643-31 | |
| Třída ETIM | EC001457 | |
| Náhradní modul | FLP-PV275U V/0 | |
| Celní nomenklatura | 85363090 | |
| EAN | 8595090561460 |